
Type: Triple Eccentric Type
Nominal Diameter: DN100 ~ DN2000
Nominal Pressure: PN0.6~4.0MPa; CLASS 150~300LB
Applicable Temperature: -60°C ~ +200°C
Type of Connection: Flange, Wafer
Body Material:WCB, WC9, CF8, CF8M
Packing: Teflon, Flexible graphite
Pneumatic Tri-Eccentric Metal Seat Butterfly Valve is based on the two-eccentric hard seal butterfly valve to generate an angle (the sealing surface is an inclined cone), thus forming the tri-eccentric hard seal butterfly valve. The structure has no mechanical wear and scratch in the process of opening and closing, small closing torque, good cutting performance, and long service life. It also has two functions: adjustment and cutting.
This series of products is widely used in the automatic control system of petroleum, chemical industry, electric power, metallurgy, environmental protection, light textile, papermaking, and other industrial sectors. In addition, it’s suitable for liquid, gas, coal gas, natural gas, and steam to cut off or regulate flow control.
| Z | Actuator |
| Z Series Control Valve | SH: Pneumatic piston actuator J: Pneumatic film actuator A: Electric DTR actuator R: Electric 3810R actuator |
| R | Structural Style |
| R-angle stroke | WE:Three-eccentric metal seatcontrol butterfly valve |
With the three-dimensional eccentric sealing structure, the wear between the seat and the disc is small, and the sealing surface is wear-resistant, extending the service life.
According to the connection mode, it can be divided into pneumatic wafer type tri-eccentric butterfly valve and pneumatic flange tri-eccentric butterfly valve, which can be used in different process pipes respectively.
The disc of a large-caliber butterfly valve can be subject to the truss structure, which has the characteristics of high strength, large flow area, and small flow resistance.
A double-direction pressure tri-eccentric multi-level hard sealing structure is adopted, which has the function of double-direction sealing. It can be installed in any direction without the restriction of medium flow direction and the influence of spatial position.
It has the double advantages of metal hard sealing and elastic sealing. It has excellent sealing performance, corrosion resistance, and long service life, no matter in low temperature or high temperature.
| Body Material | WCB, WCC, WC6, WC9, LCB | ||||
| Plate | Material | WCB, WCC, WC6, WC9, LCB | |||
| Handle | Hardfacing Alloy | ||||
| Stem Material | 3Cr13/304/17-4PH | ||||
| Sealing Ring Material | Stainless steel + graphite | Stainless steel + reinforced PTFE | Reinforced PTFE | Stainless steel | |
| Packing Material | Flexible graphite | Teflon | Teflon | Flexible graphite | |
| Gasket Material | XB450/F4/graphite winding gasket | XB450/F4/graphite winding gasket | F4/graphite winding gasket | graphite winding gasket | |
| Allowable Leakage | Grade | VI | VI | VI | V |
| Use Standard | GB/T 4213 | ||||
| Use Temperature (°C) | WCB, WCC | -20~160 | -20~200 | -20~200 | -20~425 |
| WC6, WC9 | -20~160 | -20~200 | -20~200 | -20~425 | |
| LCB | -20~160 | -45~200 | -45~200 | -45~425 | |
| Body Material | CF3、CF8、CF3M、CF8M | ||||
| Plate | Material | CF3、CF8、CF3M、CF8M | |||
| Handle | Built-up welding Stellite Alloy | ||||
| Stem Material | 20Cr13/304/17-4PH | ||||
| Sealing Ring Material | Stainless steel + graphite | Stainless steel + reinforced PTFE | Reinforced PTFE | Stainless steel | |
| Packing Material | Flexible graphite | Teflon | Teflon | Flexible graphite | |
| Gasket Material | XB450/F4/graphite winding gasket | XB450/F4/graphite winding gasket | F4/graphite winding gasket | graphite winding gasket | |
| Allowable Leakage | Grade | VI | VI | VI | V |
| Use Standard | GB/T 4213 | ||||
| Use Temperature (°C) | -100~500 | -45~200 | -20~180 | -45~500 | |
| Body Material | WCB, WCC, WC6, WC9, LCB | ||||
| Plate | Material | WCB, WCC, WC6, WC9, LCB | |||
| Handle | Hardfacing Alloy | ||||
| Stem Material | 3Cr13/304/17-4PH | ||||
| Sealing Ring Material | Stainless steel + graphite | Stainless steel + reinforced PTFE | Reinforced PTFE | Stainless steel | |
| Packing Material | Flexible graphite | Teflon | Teflon | Flexible graphite | |
| Gasket Material | XB450/F4/graphite winding gasket | XB450/F4/graphite winding gasket | F4/graphite winding gasket | graphite winding gasket | |
| Allowable Leakage | Grade | VI | VI | VI | V |
| Use Standard | GB/T 4213 | ||||
| Use Temperature (°C) | WCB, WCC | -20~160 | -20~200 | -20~200 | -20~425 |
| WC6, WC9 | -20~160 | -20~200 | -20~200 | -20~425 | |
| LCB | -20~160 | -45~200 | -45~200 | -45~425 | |
| Body Material | CF3、CF8、CF3M、CF8M | ||||
| Plate | Material | CF3、CF8、CF3M、CF8M | |||
| Handle | Built-up welding Stellite Alloy | ||||
| Stem Material | 20Cr13/304/17-4PH | ||||
| Sealing Ring Material | Stainless steel + graphite | Stainless steel + reinforced PTFE | Reinforced PTFE | Stainless steel | |
| Packing Material | Flexible graphite | Teflon | Teflon | Flexible graphite | |
| Gasket Material | XB450/F4/graphite winding gasket | XB450/F4/graphite winding gasket | F4/graphite winding gasket | graphite winding gasket | |
| Allowable Leakage | Grade | VI | VI | VI | V |
| Use Standard | GB/T 4213 | ||||
| Use Temperature (°C) | -100~500 | -45~200 | -20~180 | -45~500 | |

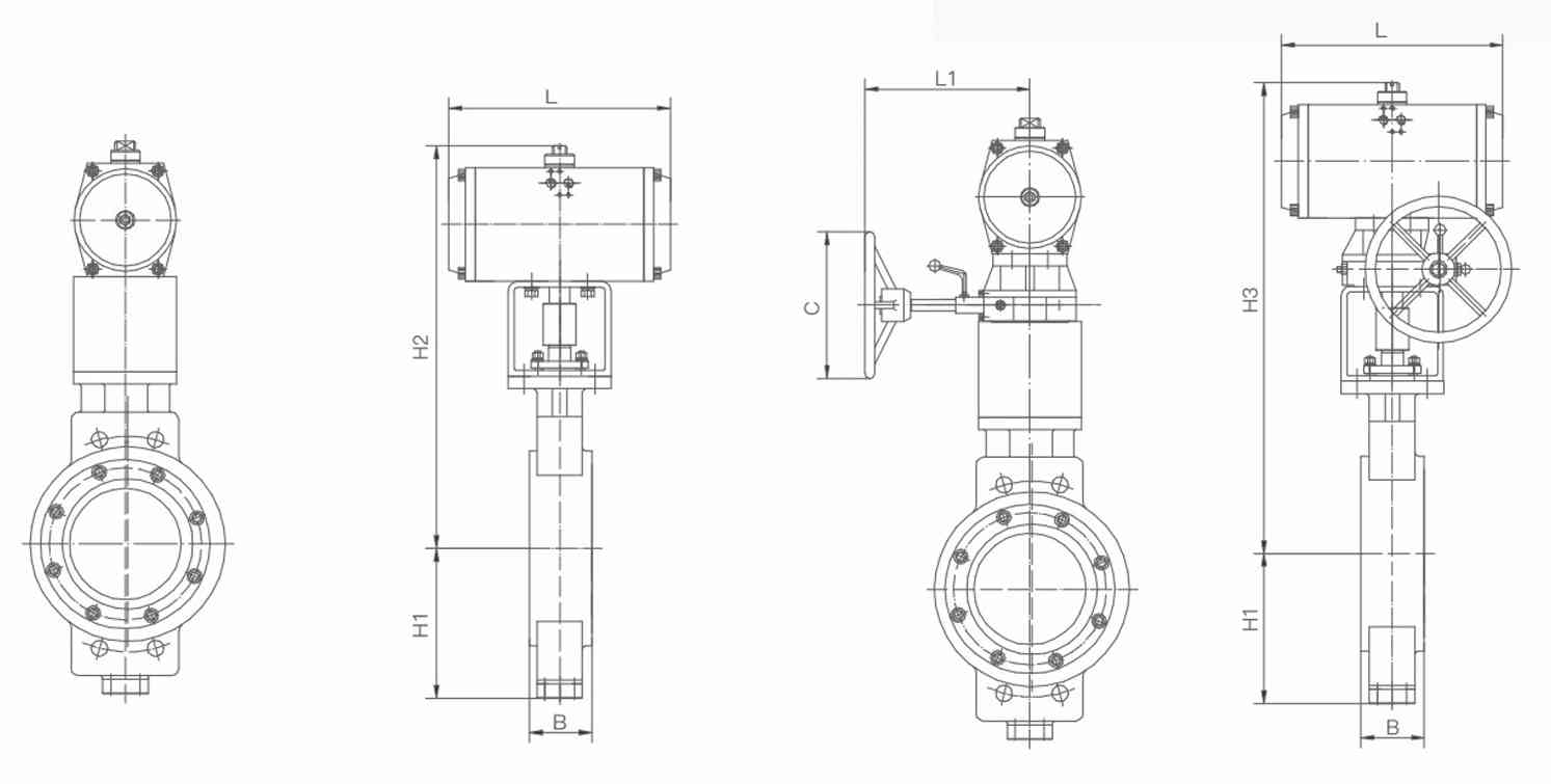
| Nominal Diameter (DN) | H1 | H2 | H3 | B* | Actuating Mechanism | |||
| Wafer | Flange | L | L1 | C | ||||
| 100 | 110 | 406 | 488 | 64 | 127 | 204 | 190 | 200 |
| 125 | 137 | 460 | 542 | 70 | 140 | 260 | 190 | 200 |
| 150 | 172 | 505 | 598 | 70 | 140 | 298 | 225 | 200 |
| 200 | 205 | 567 | 675 | 71 | 152 | 390 | 233 | 300 |
| 250 | 250 | 667 | 775 | 76 | 165 | 458 | 233 | 300 |
| 300 | 270 | 805 | 943 | 83 | 178 | 722 | 285 | 600 |
| 350 | 300 | 845 | 983 | 92 | 190 | 722 | 285 | 600 |
| 400 | 330 | 987 | 1125 | 102 | 216 | 860 | 285 | 600 |
| 450 | 370 | 1027 | 1165 | 114 | 222 | 860 | 285 | 600 |
| 500 | 400 | 1097 | 1235 | 127 | 229 | 860 | 285 | 600 |
| 600 | 455 | 1112 | 1250 | 154 | 267 | 860 | 285 | 600 |
| 700 | 495 | 1230 | 1725 | 165 | 292 | 2500 | 350 | 800 |
| 800 | 597 | 1303 | 1900 | 190 | 318 | 3200 | 350 | 800 |
| 900 | 647 | 1398 | 2045 | 203 | 330 | 3200 | 350 | 800 |
| 1000 | 720 | 1590 | 2290 | 216 | 410 | 3800 | 350 | 800 |
Note: B* Open size can be customized according to user reauirements, the nominal diameter greater than or equal to DN1 000 please call
Pneumatic tri-eccentric metal-seated butterfly valves are essential in industries requiring reliable flow control under extreme conditions. Their unique triple-offset design ensures a tight, metal-to-metal seal, making them ideal for high-pressure and high-temperature applications.
In the oil and gas sector, these valves effectively regulate the flow of crude oil, natural gas, and refined products, handling the demanding conditions of pipelines and processing facilities. The chemical industry benefits from their resistance to corrosive substances, ensuring safe and efficient control of aggressive liquids and gases. Power plants utilize these valves to manage steam and water flow, maintaining operational efficiency and safety in high-temperature environments. Additionally, their durability and precise control make them suitable for marine applications, food processing, and other industrial processes requiring dependable flow regulation.
The robust construction and precise engineering of pneumatic tri-eccentric metal-seated butterfly valves provide exceptional performance and longevity, making them a preferred choice for critical applications across various industries.
اكتشف حلول الصمامات المتميزة لدينا وعزز كفاءتك.
الاتصال
نحن الآن لمعرفة كيف يمكننا دعم احتياجاتك بجودة عالية
المنتجات والخدمة الاستثنائية.
0577—86938599
© تانغ غونغ صمام المجموعة.
جميع الحقوق محفوظة.