
Size Range: DN40~DN1200
Pressure Range: PN6~PN16
End Connection: Wafer
Material: Cast Iron, Ductile Iron, Stainless Steel
Seals: EPDM, PTFE, NBR
Valve Design: Electric Butterfly Valve with Soft Seal
Face to Face: ISO 5752, API 609
End Connection: ANSI B16.1, ISO 7005
Testing & Inspection: API 598, ISO 5208
Suitable Medium: Water, Oil, Gas, Light Chemicals
The PTFE-lined wafer butterfly valve is a high-performance flow control device designed for aggressive and corrosive media. Engineered with a full or semi-PTFE (polytetrafluoroethylene) lining on the valve body and disc, it offers superior chemical resistance and excellent sealing performance. Its wafer-style body allows compact installation between standard flanges (ANSI, DIN, JIS), making it space-saving and cost-effective.
Constructed from robust materials such as ductile iron or stainless steel with a precision-molded PTFE lining, this valve ensures long-term durability even in highly acidic, alkaline, or toxic environments. The lightweight, quarter-turn design offers easy manual, pneumatic, or electric actuation.
| Serial No. | Part Name | Grey Cast Iron (Z) | Carbon Steel (C) | Stainless Steel (P) | SS316 (R) | Low Carbon SS (PL) | Low Carbon SS (RL) |
|---|---|---|---|---|---|---|---|
| 1 | Upper and Lower Body | HT250 | WCB | CF8 | CF8M | CF3 | CF3M |
| 2 | Disc | WCB | 35 (Steel) | CF8 | CF8M | CF3 | CF3M |
| 3 | Butterfly Plates | 2Cr13 | 2Cr13 | 1Cr18Ni9Ti | 1Cr18Ni12Mo2Ti | 00Cr18Ni10 | 00Cr18Ni14Mo2 |
| 4 | Lining Layer / Seat | PTFE(F4), PCTFE(F3), FEP(F46), PFA (F4), PO (Polyolefin) | |||||
| 5 | O-ring | FPM (Viton) | |||||
| 6 | Spring Section (Seal) | Silicone Rubber (Si) | |||||
| 7 | Adjustment in Block | 0Cr18Ni9 | 0Cr18Ni9 | 1Cr18Ni12Mo2Ti | 00Cr18Ni10 | 00Cr18Ni14Mo2 | 1Cr18Ni9Ti |
| 8 | Bolt | 35 | 35 | 1Cr17Ni2 | 1Cr17Ni2 | 1Cr18Ni9Ti | 1Cr18Ni9Ti |
| 9 | Nut | 45 | 45 | 0Cr18Ni9 | 0Cr18Ni9 | 0Cr18Ni9 | 0Cr18Ni9 |
| 10 | Handle | ZL101 (Cast Aluminum with Handle Combination) | |||||
| Model | Type | Structural Description |
|---|---|---|
| DA71F46 | Full Lining Type | Whole body lining, disc full lining, disc and disc shaft integrated into one piece |
| DA71F4 | Full Lining Type | Whole body lining, disc full lining, disc and disc shaft assembled |
| DA71F/P | Semi-Lining (P-Type) | Whole body lining, stainless steel disc (not lined), disc and disc shaft assembled |

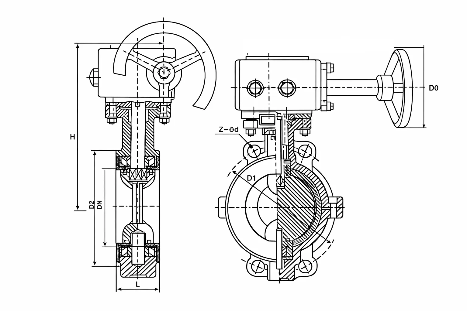
| DN (mm) | NPS (inch) | L | D | D1 | D2 | F | B | Z–⌀d | D0 | H | Weight (kg) |
|---|---|---|---|---|---|---|---|---|---|---|---|
| PN0.6MPa | |||||||||||
| 40 | 1 1/2 | 33 | 130 | 100 | 80 | 3 | 16 | 4–⌀14 | 160 | 140 | 2.5 |
| 50 | 2 | 43 | 140 | 110 | 90 | 3 | 16 | 4–⌀14 | 200 | 145 | 3.5 |
| 65 | 2 1/2 | 46 | 160 | 130 | 110 | 3 | 16 | 4–⌀14 | 250 | 155 | 4.5 |
| 80 | 3 | 46 | 185 | 150 | 125 | 3 | 18 | 4–⌀18 | 250 | 165 | 6 |
| 100 | 4 | 52 | 205 | 170 | 145 | 3 | 18 | 4–⌀18 | 250 | 180 | 7.5 |
| 125 | 5 | 56 | 235 | 200 | 175 | 3 | 20 | 8–⌀18 | 300 | 203 | 11 |
| 150 | 6 | 56 | 260 | 225 | 200 | 3 | 20 | 8–⌀18 | 300 | 225 | 16 |
| 200 | 8 | 60 | 315 | 280 | 255 | 3 | 22 | 8–⌀18 | 200* | 275 | 48 |
| 250 | 10 | 68 | 370 | 335 | 310 | 3 | 24 | 12–⌀23 | 200* | 315 | 60 |
| 300 | 12 | 78 | 435 | 395 | 362 | 4 | 24 | 12–⌀23 | 240* | 348 | 75 |
| 350 | 14 | 78 | 485 | 445 | 412 | 4 | 26 | 12–⌀23 | 240* | 415 | 82 |
| 400 | 16 | 102 | 535 | 495 | 462 | 4 | 28 | 16–⌀23 | 280* | 460 | 123 |
| 450 | 18 | 114 | 590 | 550 | 518 | 4 | 28 | 16–⌀23 | 320* | 500 | 150 |
| 500 | 20 | 127 | 640 | 600 | 568 | 4 | 30 | 20–⌀23 | 360* | 530 | 180 |
| 600 | 24 | 154 | 755 | 705 | 670 | 5 | 30 | 20–⌀25 | 320* | 670 | 250 |
| 700 | 28 | 165 | 860 | 810 | 775 | 5 | 32 | 24–⌀25 | 360* | 755 | 315 |
| 800 | 32 | 190 | 975 | 920 | 880 | 5 | 34 | 24–⌀30 | 360* | 805 | 385 |
| 900 | 36 | 203 | 1075 | 1020 | 980 | 5 | 36 | 24–⌀30 | 380* | 995 | 420 |
| 1000 | 40 | 216 | 1175 | 1120 | 1080 | 5 | 36 | 28–⌀30 | 400* | 1170 | 620 |
| 1200 | 48 | 254 | 1400 | 1340 | 1295 | 5 | 40 | 32–⌀34 | 400* | 1295 | 788 |
| DN (mm) | NPS (inch) | L | D | D1 | D2 | F | B | Z–⌀d | D0 | H | Weight (kg) |
| PN1.0MPa | |||||||||||
| 40 | 1 1/2 | 33 | 145 | 110 | 85 | 3 | 18 | 4–⌀18 | 160 | 140 | 3 |
| 50 | 2 | 43 | 160 | 125 | 100 | 3 | 20 | 4–⌀18 | 200 | 145 | 4 |
| 65 | 2 1/2 | 46 | 180 | 135 | 120 | 3 | 20 | 4–⌀18 | 250 | 155 | 6 |
| 80 | 3 | 46 | 195 | 160 | 135 | 3 | 22 | 8–⌀18 | 250 | 165 | 8 |
| 100 | 4 | 52 | 215 | 180 | 155 | 3 | 22 | 8–⌀18 | 250 | 180 | 10 |
| 125 | 5 | 56 | 245 | 210 | 185 | 3 | 24 | 8–⌀18 | 300 | 203 | 18 |
| 150 | 6 | 56 | 280 | 240 | 210 | 3 | 24 | 8–⌀23 | 300 | 225 | 28 |
| 200 | 8 | 60 | 335 | 295 | 265 | 3 | 26 | 8–⌀23 | 200* | 275 | 56 |
| 250 | 10 | 68 | 390 | 350 | 320 | 3 | 28 | 12–⌀23 | 200* | 315 | 72 |
| 300 | 12 | 78 | 440 | 400 | 368 | 4 | 28 | 12–⌀23 | 240* | 348 | 88 |
| 350 | 14 | 78 | 500 | 460 | 428 | 4 | 30 | 12–⌀23 | 240* | 415 | 120 |
| 400 | 16 | 102 | 565 | 515 | 482 | 4 | 32 | 16–⌀23 | 280* | 460 | 145 |
| 450 | 18 | 114 | 615 | 566 | 532 | 4 | 32 | 16–⌀25 | 280* | 500 | 165 |
| 500 | 20 | 127 | 670 | 620 | 585 | 4 | 34 | 20–⌀25 | 320* | 530 | 195 |
| 600 | 24 | 154 | 780 | 725 | 685 | 5 | 36 | 20–⌀25 | 320* | 610 | 268 |
| 700 | 28 | 165 | 895 | 840 | 800 | 5 | 40 | 20–⌀30 | 360* | 675 | 320 |
| 800 | 32 | 190 | 1010 | 950 | 905 | 5 | 44 | 24–⌀30 | 360* | 805 | 395 |
| 900 | 36 | 203 | 1110 | 1050 | 1005 | 5 | 46 | 24–⌀34 | 380* | 995 | 450 |
| 1000 | 40 | 216 | 1220 | 1160 | 1115 | 5 | 50 | 28–⌀34 | 400* | 1170 | 680 |
| 1200 | 48 | 254 | 1450 | 1380 | 1325 | 5 | 56 | 32–⌀41 | 400* | 1295 | 825 |
| DN (mm) | NPS (inch) | L | D | D1 | D2 | F | B | Z–⌀d | D0 | H | Weight (kg) |
| PN1.6MPa | |||||||||||
| 40 | 1 1/2 | 33 | 145 | 110 | 85 | 3 | 18 | 4–⌀18 | 200 | 145 | 4 |
| 50 | 2 | 43 | 160 | 125 | 100 | 3 | 20 | 4–⌀18 | 250 | 150 | 5 |
| 65 | 2 1/2 | 46 | 180 | 145 | 120 | 3 | 20 | 4–⌀18 | 250 | 160 | 7 |
| 80 | 3 | 46 | 195 | 160 | 135 | 3 | 22 | 8–⌀18 | 250 | 170 | 10 |
| 100 | 4 | 52 | 215 | 180 | 155 | 3 | 24 | 8–⌀18 | 300 | 185 | 14 |
| 125 | 5 | 56 | 245 | 210 | 185 | 3 | 26 | 8–⌀18 | 300 | 210 | 22 |
| 150 | 6 | 56 | 280 | 240 | 210 | 3 | 28 | 8–⌀23 | 300* | 230 | 32 |
| 200 | 8 | 60 | 335 | 295 | 265 | 3 | 30 | 12–⌀23 | 200* | 285 | 66 |
| 250 | 10 | 68 | 405 | 355 | 320 | 3 | 32 | 12–⌀25 | 240* | 325 | 80 |
| 300 | 12 | 78 | 500 | 410 | 375 | 4 | 34 | 12–⌀25 | 260* | 360 | 94 |
| 350 | 14 | 78 | 560 | 470 | 435 | 4 | 38 | 16–⌀25 | 280* | 430 | 125 |
| 400 | 16 | 102 | 620 | 525 | 485 | 4 | 40 | 16–⌀30 | 280* | 475 | 150 |
| 450 | 18 | 114 | 685 | 585 | 545 | 4 | 44 | 20–⌀30 | 320* | 525 | 172 |
| 500 | 20 | 127 | 750 | 650 | 608 | 4 | 46 | 24–⌀34 | 320* | 565 | 225 |
| 600 | 24 | 154 | 880 | 770 | 718 | 5 | 54 | 24–⌀41 | 360* | 690 | 290 |
| 700 | 28 | 165 | 1010 | 840 | 788 | 5 | 54 | 24–⌀41 | 360* | 686 | 330 |
| 800 | 32 | 190 | 1130 | 950 | 898 | 5 | 54 | 28–⌀41 | 380* | 815 | 425 |
| 900 | 36 | 203 | 1120 | 1050 | 998 | 5 | 54 | 28–⌀41 | 1010 | 495 | 530 |
| 1000 | 40 | 216 | 1255 | 1170 | 1110 | 5 | 60 | 28–⌀48 | 400* | 1185 | 710 |
PTFE-lined wafer butterfly valves are ideal for industries that handle highly corrosive or hazardous fluids, including:
Chemical Processing: Acids, alkalis, chlorides, solvents
Water Treatment: Deionized water, RO systems, brine
Pharmaceutical & Biotech: Sterile and corrosive fluids
Food & Beverage: Clean-in-place (CIP) systems
Pulp & Paper: Bleaching chemicals and wastewater
Mining & Metallurgy: Chemical leaching fluids
Semiconductor Manufacturing: Ultra-pure and aggressive chemicals
Whether used for isolation or regulation of flow, PTFE-lined wafer butterfly valves provide exceptional reliability, low torque operation, and leak-free performance in extreme chemical applications.
Discover our premium valve solutions and boost your efficiency. Contact
us now to find out how we can support your needs with top-quality
products and exceptional service.
0577—86938599
© Tang Gong Valve Group. All Rights Reserved.