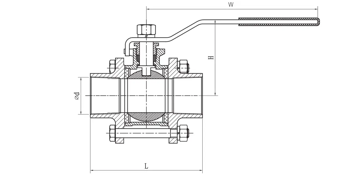
A three piece carbon steel ball valve is a durable, high-performance quarter-turn valve designed for reliable shut-off in demanding industrial applications. Featuring a bolted three-piece body, it allows easy in-line maintenance, cleaning, and seal replacement without removing the valve from the pipeline.


