
Size Range: DN50-DN4000
Material: WCB, Stainless Steel
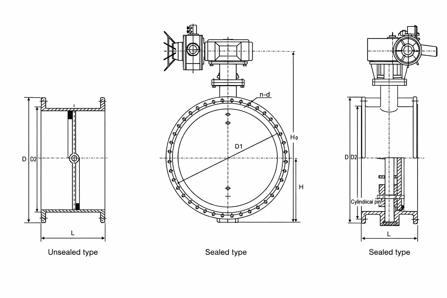
Connection Options: Flanged End
Pressure: 0.05Mpa ~ 0.6Mpa
Working Temperature: -29°C to 425°C
Sealing Options: SS304 + Graphite
Applicable Medium: Gas, dust gases, flue gas
A Ventilation butterfly valve is a lightweight, large-diameter valve designed for low-pressure air and gas flow control in ventilation and exhaust systems. It features quick quarter-turn operation, low pressure loss, and a compact structure, making it ideal for HVAC, flue gas, and industrial ventilation applications.
| Item | Specification | ||||
|---|---|---|---|---|---|
| Nominal Diameter | DN (mm) | 50 ~ 4000 | |||
| Nominal Pressure | PN (MPa) | 0.05 | 0.10 | 0.25 | 0.6 |
| Test Pressure | Strength Test (MPa) | 0.075 | 0.15 | 0.375 | 0.9 |
| Seal Test – Sealed (MPa) | 0.055 | 0.11 | 0.275 | 0.66 | |
| Seal Test – Non-Sealed | ≤ 1.5% leakage | ||||
| Applicable Medium | Gas, dust gases, flue gas, etc. | ||||
| Drive Type | Manual, worm gear, pneumatic, electric transmission | ||||
| Part Name | Material |
|---|---|
| Body | Q235A, 16Mn steel, stainless steel |
| Disc | Q235A, 16Mn steel, stainless steel |
| Ring | Q235A, 16Mn steel, stainless steel |
| Stem | 2Cr13, stainless steel |
| Packing | Flexible Graphite |

| DN (mm) | L | H | H0 | 0.05–0.1 MPa | 0.25 MPa | 0.6 MPa | |||||||||
|---|---|---|---|---|---|---|---|---|---|---|---|---|---|---|---|
| D | D1 | D2 | n–d | D | D1 | D2 | n–d | D | D1 | D2 | n–d | ||||
| 100 | 127 | 105 | 486 | 210 | 190 | 144 | 4–18 | 210 | 190 | 144 | 4–18 | 210 | 170 | 144 | 4–19 |
| 125 | 140 | 120 | 516 | 240 | 200 | 174 | 8–18 | 240 | 200 | 174 | 8–18 | 240 | 200 | 174 | 8–19 |
| 150 | 140 | 132 | 541 | 265 | 225 | 199 | 8–18 | 265 | 225 | 199 | 8–18 | 265 | 225 | 199 | 8–19 |
| 200 | 152 | 160 | 779 | 320 | 280 | 254 | 8–18 | 320 | 280 | 254 | 8–18 | 320 | 280 | 254 | 8–19 |
| 250 | 165 | 187 | 836 | 375 | 335 | 309 | 12–18 | 375 | 335 | 309 | 12–18 | 375 | 335 | 309 | 12–19 |
| 300 | 180 | 220 | 901 | 440 | 395 | 363 | 12–22 | 440 | 395 | 363 | 12–22 | 440 | 395 | 363 | 12–23 |
| 350 | 180 | 245 | 954 | 490 | 445 | 413 | 12–22 | 490 | 445 | 413 | 12–22 | 490 | 445 | 413 | 12–23 |
| 400 | 200 | 270 | 1003 | 540 | 495 | 463 | 16–22 | 540 | 495 | 463 | 16–22 | 540 | 495 | 463 | 16–23 |
| 450 | 200 | 297 | 1058 | 595 | 550 | 518 | 16–22 | 595 | 550 | 518 | 16–22 | 595 | 550 | 518 | 16–23 |
| 500 | 220 | 322 | 1111 | 645 | 600 | 568 | 20–22 | 645 | 600 | 568 | 20–22 | 645 | 600 | 568 | 20–23 |
| 600 | 220 | 377 | 1233 | 755 | 705 | 667 | 20–26 | 755 | 705 | 667 | 20–26 | 755 | 705 | 667 | 20–26 |
| 700 | 240 | 430 | 1338 | 860 | 810 | 772 | 24–26 | 860 | 810 | 772 | 24–26 | 860 | 810 | 772 | 24–26 |
| 800 | 240 | 487 | 1452 | 975 | 920 | 878 | 24–30 | 975 | 920 | 878 | 24–30 | 975 | 920 | 878 | 24–31 |
| 900 | 260 | 537 | 1588 | 1075 | 1020 | 978 | 24–30 | 1075 | 1020 | 978 | 24–30 | 1075 | 1020 | 978 | 24–31 |
| 1000 | 260 | 587 | 1689 | 1175 | 1120 | 1078 | 28–30 | 1175 | 1120 | 1078 | 28–30 | 1175 | 1120 | 1078 | 28–31 |
| 1200 | 280 | 702 | 1938 | 1375 | 1320 | 1280 | 32–30 | 1375 | 1320 | 1280 | 32–30 | 1405 | 1340 | 1295 | 32–34 |
| 1400 | 300 | 782 | 2670 | 1575 | 1520 | 1480 | 36–30 | 1575 | 1520 | 1480 | 36–30 | 1630 | 1560 | 1510 | 36–37 |
| 1600 | 320 | 895 | 2810 | 1790 | 1730 | 1690 | 40–30 | 1790 | 1730 | 1690 | 40–30 | 1830 | 1760 | 1710 | 40–37 |
| 1800 | 340 | 995 | 3020 | 1990 | 1930 | 1890 | 44–30 | 1990 | 1930 | 1890 | 44–30 | 2045 | 1970 | 1918 | 44–40 |
| 2000 | 360 | 1095 | 3220 | 2190 | 2130 | 2090 | 48–30 | 2190 | 2130 | 2090 | 48–30 | 2265 | 2180 | 2125 | 48–43 |
| 2200 | 380 | 1200 | 3430 | 2405 | 2340 | 2295 | 52–33 | 2405 | 2340 | 2295 | 52–33 | 2475 | 2390 | 2335 | 52–43 |
| 2400 | 400 | 1310 | 3650 | 2605 | 2540 | 2495 | 56–33 | 2605 | 2540 | 2495 | 56–33 | 2685 | 2600 | 2545 | 56–43 |
| 2600 | 420 | 1420 | 3920 | 2805 | 2740 | 2695 | 60–33 | 2805 | 2740 | 2695 | 60–33 | 2905 | 2810 | 2750 | 60–49 |
| 2800 | 440 | 1530 | 4140 | 3030 | 2960 | 2910 | 64–36 | 3030 | 2960 | 2910 | 64–36 | 3115 | 3020 | 2960 | 64–49 |
| 3000 | 460 | 1640 | 4360 | 3230 | 3160 | 3110 | 68–36 | 3230 | 3160 | 3110 | 68–36 | 3315 | 3220 | 3160 | 68–49 |
| 3200 | 480 | 1760 | 4620 | 3430 | 3360 | 3310 | 72–36 | 3430 | 3360 | 3310 | 72–36 | 3525 | 3430 | 3360 | 72–49 |
| 3400 | 500 | 1870 | 4840 | 3630 | 3560 | 3510 | 76–36 | 3630 | 3560 | 3510 | 76–36 | 3735 | 3640 | 3560 | 76–49 |
| 3600 | 520 | 1980 | 5060 | 3840 | 3770 | 3720 | 80–36 | 3840 | 3770 | 3720 | 80–36 | 3970 | 3860 | 3720 | 80–56 |
| 3800 | 540 | 2120 | 5400 | 4045 | 3970 | 3920 | 80–39 | 4045 | 3970 | 3920 | 80–39 | 4180 | 4070 | 3970 | 80–62 |
| 4000 | 560 | 2230 | 5620 | 4245 | 4170 | 4120 | 84–39 | 4245 | 4170 | 4120 | 84–39 | 4380 | 4270 | 4170 | 84–62 |
Discover our premium valve solutions and boost your efficiency. Contact
us now to find out how we can support your needs with top-quality
products and exceptional service.
0577—86938599
© Tang Gong Valve Group. All Rights Reserved.