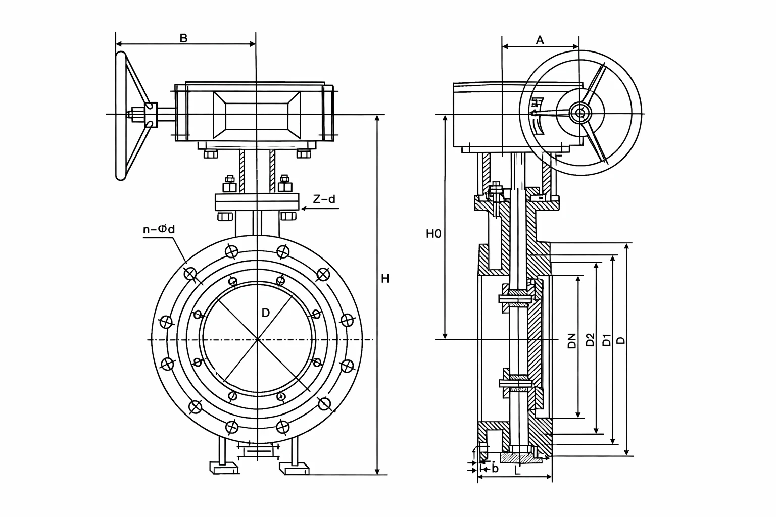
A worm gear flanged butterfly valve is designed for precise, low-torque flow control in medium to large pipelines. The worm gear drive ensures smooth operation, while the flanged body provides strong, leak-resistant connections. It is widely used in water treatment, HVAC, power, and industrial piping systems where reliable and controlled valve operation is required.

