
Size Range: DN50~DN2000
Pressure Range: PN10~PN40
End Connection: Wafer
Material: Carbon Steel, Ductile Iron, Stainless Steel
Seals: Hard Metal Seal
Operation method: Handle or Worm Gear Type
Suitable Medium: Water, Oil, Gas
A hard seal wafer butterfly valve is a compact metal-seated valve designed for reliable shut-off in high-temperature, high-pressure, and abrasive applications. Its wafer design enables easy installation between flanges, while the metal-to-metal seal ensures durability, low leakage, and long service life. Ideal for power, petrochemical, and industrial piping systems, it offers quarter-turn operation, low torque, and minimal maintenance.
| Components | Materials |
| Valve body | WCB, alloy steel, stainless steel, QT450-10 |
| disc | WCB, alloy steel, stainless steel, QT450-10 |
| Valve shaft | 2Cr13 stainless steel, alloy steel |
| Seal ring | Stainless steel |
| Packing | Flexible graphite |
| Manufacturing standard | JB/T 8527-97 |
| Flange standard | GB9113-2000 |
| Face to Face standard | GB12221-89 |
| Examination standard | GB/T 13927-92 |

Pressure: PN10 (Mpa) – D373 F-10C.P.R (mm)
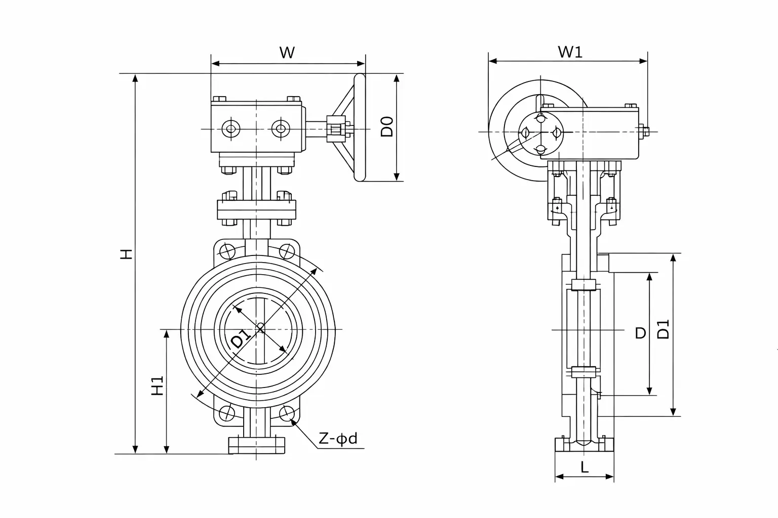
| Nominal DN | L | D1 | D | Z-φd | H | H1 | W | W1 | D0 |
|---|---|---|---|---|---|---|---|---|---|
| 50 | 43 | 125 | 102 | 4-18 | 360 | 112 | 200 | 200 | 160 |
| 65 | 46 | 145 | 122 | 4-18 | 380 | 115 | 200 | 200 | 160 |
| 80 | 49 | 160 | 133 | 8-18 | 455 | 120 | 220 | 200 | 160 |
| 100 | 56 | 180 | 158 | 8-18 | 490 | 140 | 240 | 200 | 160 |
| 125 | 64 | 210 | 184 | 8-18 | 490 | 170 | 260 | 200 | 160 |
| 150 | 70 | 240 | 212 | 8-22 | 630 | 180 | 280 | 280 | 240 |
| 200 | 71 | 295 | 268 | 8-22 | 690 | 210 | 320 | 280 | 240 |
| 250 | 76 | 350 | 320 | 12-22 | 830 | 240 | 360 | 280 | 240 |
| 300 | 83 | 400 | 370 | 12-22 | 930 | 290 | 460 | 420 | 310 |
| 350 | 92 | 460 | 430 | 16-22 | 1010 | 320 | 500 | 420 | 310 |
| 400 | 102 | 515 | 482 | 16-26 | 1070 | 350 | 540 | 420 | 310 |
| 450 | 114 | 565 | 532 | 20-26 | 1140 | 380 | 580 | 420 | 310 |
| 500 | 127 | 620 | 585 | 20-26 | 1200 | 410 | 620 | 420 | 310 |
| 600 | 154 | 725 | 685 | 20-30 | 1340 | 470 | 660 | 420 | 310 |
| 700 | 165 | 840 | 800 | 24-30 | 1600 | 550 | 750 | 550 | 400 |
| 800 | 190 | 950 | 905 | 24-33 | 1780 | 640 | 800 | 550 | 400 |
| 900 | 203 | 1050 | 1005 | 28-33 | 1920 | 710 | 850 | 550 | 400 |
| 1000 | 216 | 1160 | 1110 | 28-36 | 1960 | 770 | 1000 | 750 | 500 |
| 1200 | 254 | 1380 | 1330 | 32-39 | 2360 | 875 | 1050 | 750 | 500 |
| 1400 | 279 | 1590 | 1530 | 36-42 | 2530 | 970 | 800 | 890 | – |
| 1600 | 318 | 1820 | 1750 | 40-48 | 2640 | 1100 | 800 | 890 | – |
| 1800 | 356 | 2020 | 1950 | 44-48 | 2800 | 1200 | 830 | 920 | – |
| 2000 | 406 | 2230 | 2150 | 48-48 | 3100 | 1290 | 850 | 940 | – |
Pressure: PN16 (Mpa) – D373 F-16C.P.R (mm)
| Nominal DN | L | D1 | D | Z-φd | H | H1 | W | W1 | D0 |
|---|---|---|---|---|---|---|---|---|---|
| 50 | 43 | 125 | 102 | 4-18 | 360 | 112 | 200 | 200 | 160 |
| 65 | 46 | 145 | 122 | 4-18 | 380 | 115 | 200 | 200 | 160 |
| 80 | 49 | 160 | 133 | 8-18 | 455 | 120 | 220 | 200 | 160 |
| 100 | 56 | 180 | 158 | 8-18 | 490 | 140 | 240 | 200 | 160 |
| 125 | 64 | 210 | 184 | 8-18 | 490 | 170 | 260 | 200 | 160 |
| 150 | 70 | 240 | 212 | 8-22 | 630 | 180 | 280 | 280 | 240 |
| 200 | 71 | 295 | 268 | 12-22 | 690 | 210 | 320 | 280 | 240 |
| 250 | 76 | 355 | 320 | 12-26 | 830 | 240 | 360 | 280 | 240 |
| 300 | 83 | 410 | 370 | 12-26 | 930 | 290 | 460 | 420 | 310 |
| 350 | 92 | 470 | 430 | 16-26 | 1010 | 320 | 500 | 420 | 310 |
| 400 | 102 | 525 | 482 | 16-30 | 1070 | 350 | 540 | 420 | 310 |
| 450 | 114 | 585 | 532 | 20-30 | 1140 | 380 | 580 | 420 | 310 |
| 500 | 127 | 650 | 585 | 20-33 | 1200 | 410 | 620 | 420 | 310 |
| 600 | 154 | 770 | 685 | 20-36 | 1340 | 470 | 660 | 420 | 310 |
| 700 | 165 | 840 | 800 | 24-36 | 1600 | 550 | 750 | 550 | 400 |
| 800 | 190 | 950 | 905 | 24-39 | 1780 | 640 | 800 | 550 | 400 |
| 900 | 203 | 1050 | 1005 | 28-39 | 1920 | 710 | 850 | 550 | 400 |
| 1000 | 216 | 1170 | 1110 | 28-42 | 1960 | 770 | 1000 | 750 | 500 |
| 1200 | 254 | 1390 | 1330 | 32-48 | 2360 | 875 | 1050 | 750 | 500 |
| 1400 | 279 | 1590 | 1530 | 36-48 | 2530 | 970 | 800 | 890 | – |
| 1600 | 318 | 1820 | 1750 | 40-56 | 2640 | 1100 | 800 | 890 | – |
Pressure: PN25 (Mpa) – D373 F-25C.P.R (mm)
| Nominal DN | L | D1 | D | Z-φd | H | H1 | W | W1 | D0 |
|---|---|---|---|---|---|---|---|---|---|
| 50 | 43 | 125 | 102 | 4-18 | 360 | 112 | 200 | 200 | 160 |
| 65 | 46 | 145 | 122 | 8-18 | 380 | 115 | 200 | 200 | 160 |
| 80 | 49 | 160 | 133 | 8-18 | 455 | 120 | 220 | 200 | 160 |
| 100 | 56 | 190 | 158 | 8-22 | 490 | 140 | 240 | 200 | 160 |
| 125 | 64 | 220 | 184 | 8-26 | 490 | 170 | 260 | 200 | 160 |
| 150 | 70 | 250 | 212 | 8-26 | 630 | 180 | 280 | 280 | 240 |
| 200 | 71 | 310 | 268 | 12-26 | 690 | 210 | 320 | 280 | 240 |
| 250 | 76 | 370 | 330 | 12-30 | 830 | 240 | 360 | 280 | 240 |
| 300 | 83 | 430 | 390 | 16-30 | 930 | 290 | 460 | 420 | 310 |
| 350 | 92 | 490 | 450 | 16-33 | 1010 | 320 | 500 | 420 | 310 |
| 400 | 102 | 550 | 505 | 16-36 | 1070 | 350 | 540 | 420 | 310 |
| 450 | 114 | 600 | 555 | 20-36 | 1140 | 380 | 580 | 420 | 310 |
| 500 | 127 | 660 | 610 | 20-36 | 1200 | 410 | 620 | 420 | 310 |
| 600 | 154 | 770 | 720 | 20-39 | 1340 | 470 | 660 | 420 | 310 |
| 700 | 165 | 875 | 820 | 24-42 | 1600 | 550 | 750 | 550 | 400 |
| 800 | 190 | 990 | 930 | 24-48 | 1780 | 640 | 800 | 550 | 400 |
| 900 | 203 | 1090 | 1030 | 28-48 | 1920 | 710 | 850 | 550 | 400 |
| 1000 | 216 | 1210 | 1140 | 28-56 | 1960 | 770 | 1000 | 750 | 500 |
Pressure: PN40 (Mpa) – D373 F-40C.P.R (mm)
| Nominal DN | L | D1 | D | Z-φd | H | H1 | W | W1 | D0 |
|---|---|---|---|---|---|---|---|---|---|
| 50 | 43 | 125 | 102 | 4-18 | 360 | 112 | 200 | 200 | 160 |
| 65 | 46 | 145 | 122 | 8-18 | 380 | 115 | 200 | 200 | 160 |
| 80 | 64 | 160 | 133 | 8-18 | 455 | 120 | 220 | 200 | 160 |
| 100 | 64 | 190 | 158 | 8-22 | 490 | 140 | 280 | 200 | 160 |
| 125 | 70 | 220 | 184 | 8-26 | 490 | 170 | 280 | 200 | 160 |
| 150 | 76 | 250 | 212 | 8-26 | 630 | 180 | 280 | 280 | 240 |
| 200 | 89 | 320 | 268 | 12-30 | 690 | 210 | 280 | 280 | 240 |
| 250 | 114 | 385 | 330 | 12-33 | 825 | 240 | 280 | 280 | 240 |
| 300 | 114 | 450 | 390 | 16-33 | 908 | 290 | 450 | 420 | 310 |
| 350 | 127 | 510 | 450 | 16-36 | 960 | 320 | 450 | 420 | 310 |
| 400 | 140 | 585 | 505 | 16-39 | 1330 | 350 | 540 | 437 | 310 |
Discover our premium valve solutions and boost your efficiency. Contact
us now to find out how we can support your needs with top-quality
products and exceptional service.
0577—86938599
© Tang Gong Valve Group. All Rights Reserved.